Sign In

  • Forgot your password?
  • Need a new account?

Register


EUV Light Sources | SIMTRUM Photonics Store

EUV Light Sources(58-130nm)

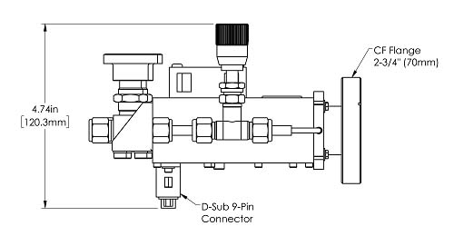
Simtrum's EUV windowless source is an RF excited flow lamp with a capillary bore in an EMI shielded enclosure. This lamp mounts to a 33.78 mm or larger CF type flange. The lamp assembly has an integral RF exciter which is powered by a small wall plug power supply. This supply is sufficient to produce emissions from the principal neutral rare gas species in the range of 10^15 photons per second per steradian. When coupled with a Resonance VM series monochromator, this will work as a tunable light source from 58 nm to up to 800 nm.

Features

  • Greater than 10^15 photons/sec/ster for major spectral lines
  • Provides EUV light down to 58nm
  • <1kg mass
  • Easy connection to a monochromator for use as an EUV tunable light source
  • Low astigmatism

Application

  • Semiconductor Manufacturing
  • Materials Science
  • Optoelectronic Devices
  • Biomedical Applications

 

 

 Specification

  Power In 110-240V
  Power Supply 28W RF
  Current 0.5A @110V typical
  Mass 800g
  Intensity >10^15 ph/sec/str(for major spectral lines)
  Vacuum Adapter 2 3/4" CF flange standard
  Wavelength Reproducibility ±0.2nm
 
Gas Specifications
Species He Ne Ar H O N Cl N2
Wavelength 58.43 73.59 & 74.37 104.82 & 106.67 102.57 & 121.57 130.22, 130.48 & 130.61 120 118 LBH Bands

Spectral Curve

Mechanical Diagram




Microscope Light & Lamp (185 - 5500nm)

Product Type Wavelength Range Power output Color Temperature Lifespan Bulb Voltage / Power
  Deuterium Light Source 185 - 600 nm 25W-30W (deuterium lamp) N/A 1,500 hours Lighting voltage 580 V@20 ℃
  Halogen Light Source 360 - 2500 nm 1.7-8.5 mW 2330K - 3000K 2,000 - 10,000 hours 3.5 V - 12 V
  Deuterium & Halogen Light Source 360 - 2500 nm 3.0-8.5 mW 2800K - 3000K  2,000 - 10,000 hours 5 - 20 W
  Infrared Tungsten Light Source 450 - 5500 nm 7.5 W 1900k ≥ 5,000 hours N/A
  Calibration Light Source - Mercury Argon  253 - 1700 nm N/A N/A ≥ 6,000 hours N/A
  Calibration Light Source - Neon  540 - 754 nm N/A N/A N/A N/A
  Calibration Light Source - Xenon Lamp 916 - 1984 nm 3 W N/A 3,000 hours N/A 
  Xenon Light Source 200 - 2000 nm 8.0 mW N/A ≥ 1,000 hours 50 W

 

Single Wavelength LED Source(240-980nm)

Link
  Un-collimated LED Sources  (240-980nm) / 50mW to 900mW Level
  Collimated LED Sources  (240-980nm) / 15mW to 10,000mW Level
  High Power Fiber-Coupled LED (240-980nm)  / uW to 40mW Level
  Filtered High Power Fiber-Coupled LED (265 - 940nm) / uW to 10mW Level
  Lightguide-Coupled LED Source (240-980nm) / 10mW to 2500mW Level
  LED Source Controllers  

 

Multi-wavelength LEDs Source (240-980nm)

Link
  Fiber-Coupled Multi-Wavelength LED(365nm to 980nm)
  Collimated Multi-Wavelength LED(365nm to 980nm)
  Wavelength-Switchable LED (340nm to 980nm)
  LED Source Controllers

 

ASE Light Sources (830-2000nm)

Type Spectral Range (nm) Output Optical Power(mW)
  C-Band Broadband ASE Light Source 1528 - 1563 10/20/50/100/200/400
  L-Band Broadband ASE Light Source 1567 - 1603 10/20/50/100
  C+L Band Boardband ASE Light Source 1528 - 1603 10/20/50/100/200       
  C++ Band Boardband ASE Light Source 1524 - 1572
10/20/50/100/200
  1060nm Broadband ASE Light Source 1030 - 1080 10/20/30/50
  2000nm Broadband ASE Light Source 1850 - 2000 10

We are here for you!

 

 

 

Drop us an email at info@simtrum.com to get the Best Price today.   Want more technical information? Click Here for the professional Customized System/ Solutions.
     

 

Don't have time to search the products one by one? No worries. you can download the full range of SIMTRUM Product Line Cards.

Click it now.

 

Want to stay closer to the Market Dynamics and Technological

Developments? Just take 5 seconds to Sign In as a member of 

SIMTRUM, we will bring you the most up-to-date news. 

(Sign in button on the top right of the screen).

 



Search Reset
Compare Model Drawings & Specs Availability Reference Price
(USD)
LL-RE01-EUV-He-L
Wavelength:58.43nm,Wavelength Reproducibility:±0.2nm,Intensity:>10^15 ph/sec/str(for major spectral lines),Power Supply:28W RF
4-6week $17552.31
LL-RE01-EUV-Ne-L
Wavelength:73.59 & 74.37nm,Wavelength Reproducibility:± 0.2nm,Intensity:>10^15 ph/sec/str(for major spectral lines),Power Supply:28W RF
4-6week $17552.31
LL-RE01-EUV-Ar-L
Wavelength:104.82 & 106.67nm,Wavelength Reproducibility:±0.2nm,Intensity:>10^15 ph/sec/str(for major spectral lines),Power Supply:28W RF
4-6week $17552.31
LL-RE01-EUV-H-L
Wavelength:102.57 & 121.57nm,Wavelength Reproducibility:±0.2nm,Intensity:>10^15 ph/sec/str(for major spectral lines),Power Supply:28W RF
4-6week $17552.31
LL-RE01-EUV-N-L
Wavelength:120nm,Wavelength Reproducibility:±0.2nm,Intensity:>10^15 ph/sec/str(for major spectral lines),Power Supply:28W RF
4-6week $17552.31
LL-RE01-EUV-N-L
Wavelength:120nm,Wavelength Reproducibility:±0.2nm,Intensity:>10^15 ph/sec/str(for major spectral lines),Power Supply:28W RF
4-6week $17552.31
LL-RE01-EUV-Cl-L
Wavelength:118nm,Wavelength Reproducibility:± 0.2nm,Intensity:>10^15 ph/sec/str(for major spectral lines),Power Supply:28W RF
4-6week $17552.31
LL-RE01-EUV-N2-L
Wavelength:LBH Bands,Wavelength Reproducibility:+/- 0.2nm,Intensity:>10^15 ph/sec/str(for major spectral lines),Power Supply:28W RF
4-6week $17552.31

LL-RE01-EUV-N2-L - Parameter

LL-RE01-EUV-Cl-L - Parameter

LL-RE01-EUV-N-L - Parameter

LL-RE01-EUV-N-L - Parameter

LL-RE01-EUV-H-L - Parameter

LL-RE01-EUV-Ar-L - Parameter

LL-RE01-EUV-Ne-L - Parameter

LL-RE01-EUV-He-L - Parameter

LL-RE01-EUV-N2-L - Download

LL-RE01-EUV-Cl-L - Download

LL-RE01-EUV-N-L - Download

LL-RE01-EUV-N-L - Download

LL-RE01-EUV-H-L - Download

LL-RE01-EUV-Ar-L - Download

LL-RE01-EUV-Ne-L - Download

LL-RE01-EUV-He-L - Download

Accessories

Compare Model Drawings & Specs Availability Reference Price
(USD)